Общий обзор #
Введение #
Repka Pi 5 — одноплатный компьютер нового поколения в линейке Repka Pi, предназначенный для создания встраиваемых систем, мультимедийных решений, промышленных устройств, учебных стендов и DIY-проектов. Плата сохраняет совместимость по набору базовых интерфейсов с Repka Pi 4, что упрощает переход на новую модель и повторное использование уже знакомой периферии, модулей и сценариев подключения.
Ключевыми отличиями Repka Pi 5 стали более производительная аппаратная платформа, увеличенный объем оперативной памяти и расширенные мультимедийные возможности. Помимо уже привычных интерфейсов GPIO, USB, HDMI, Ethernet, PCIe, eMMC, RTC и разъема для PWM-вентилятора, на плате также появились интерфейсы DSI и CSI. Это позволяет подключать дисплеи и камеры напрямую, без дополнительных преобразователей, и делает плату еще более удобной для задач компьютерного зрения, интерактивных терминалов, панелей управления и встраиваемых мультимедийных устройств.
Технические характеристики #
| Параметр | Значение |
|---|---|
| Процессор | Rockchip RK3588, Quad-Core Cortex-A55 + Quad-Core Cortex-A76, 8 нм |
| Тактовая частота процессора | 1,6-2,4 GHz |
| Оперативная память | SDRAM LPDDR4X до 32 GB |
| Постоянное запоминающее устройство | Возможность загрузки ОС с SD-карты или с eMMC от 32 GB |
| USB | USB 2.0 x 2, USB 3.0 x 2 |
| PCIe | PCIe 3.0 x1 |
| Поддерживаемые ОС | Repka Pi OS (в процессе портирования Armbian, Debian, LibreELEC, Batocera ) |
| Wi-Fi | 802.11a/b/g/n/ac |
| Bluetooth | Bluetooth 5.0 |
| Ethernet | RJ45, 10/100/1000 Мбит/с |
| Интерфейсы | 40 контактов (28 x GPIO, UART, I2C, SPI, PWM), CSI, DSI |
| Звук и видео | 3,5 мм Jack, HDMI |
| Дополнительные разъемы | Разъем для PWM-вентилятора, разъем батарейки RTC |
Чертежи, 3D модели и изображения Repka Pi 5 #
Эскизный чертёж #

Рендеры #
![]() | ![]() |
3D модель #
Вы можете скачать чертежи (3D модели) Repka-Pi 4 для использования в собственных проектах при проектировании встраиваемых решений
Архив c STEP для Repka Pi 5 v. 1.0
Разъемы и органы управления #
SoC Rockchip RK3588 #
К СВЕДЕНИЮ
Необходимая документация по данному SoC представлена ниже в таблице:
| Документ | Ссылка для открытия |
|---|---|
| Rockchip RK3588 Datasheet | Ссылка на документ |
| Rockchip RK3588 Technical Reference Manual Part 1 | Ссылка на документ |
| Rockchip RK3588 Technical Reference Manual Part 2 | Ссылка на документ |
Rockchip RK3588 — это высокопроизводительная система-на-кристалле (SoC) от компании Rockchip, предназначенная для флагманских встраиваемых устройств, мини-ПК, ТВ-боксов, медиаплееров и AI-решений.
RK3588 построен на 8-ядерной архитектуре ARM (4× Cortex-A76 + 4× Cortex-A55) и оснащён мощным GPU Mali-G610, обеспечивая высокую вычислительную и графическую производительность. Чип поддерживает обработку видео до 8K, аппаратное кодирование/декодирование современных форматов (включая AV1), а также имеет встроенный NPU с производительностью до ~6 TOPS для задач искусственного интеллекта.
| Вид сверху | Вид в пространстве |
|---|---|
![]() |
![]() |

40-контактный GPIO-разъем #
40-контактный GPIO-разъем предназначен для подключения внешней периферии, датчиков, исполнительных устройств и модулей расширения. Через него доступны линии общего назначения GPIO, а также аппаратные интерфейсы UART, I2C, SPI и PWM. Разъем удобен для прототипирования, автоматизации, робототехники, учебных проектов и интеграции платы в пользовательские устройства.
| Вид сверху | Вид в пространстве |
|---|---|
![]() |
![]() |

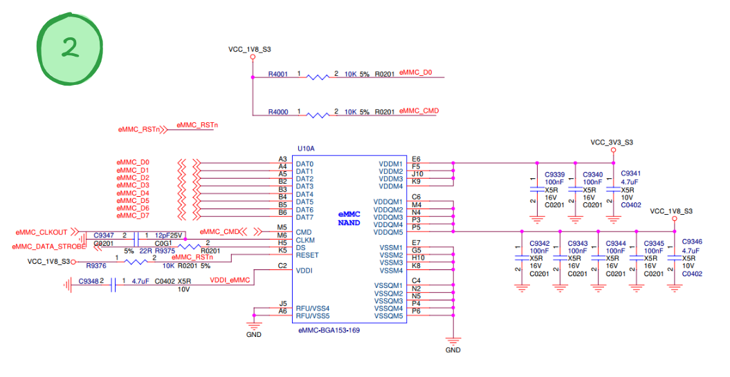
Разъем eMMC #
Разъем eMMC используется для подключения встроенного энергонезависимого накопителя. Такой способ хранения данных обеспечивает более высокую надежность и скорость по сравнению с использованием только microSD-карты, а также подходит для установки операционной системы и хранения пользовательских данных.
| Вид сверху | Вид в пространстве |
|---|---|
![]() |
![]() |


Разъем для подключения внешней антенны #
Разъем для внешней антенны позволяет подключить дополнительную Wi‑Fi-антенну для улучшения качества приема и передачи сигнала. Это особенно полезно при эксплуатации устройства в корпусах, в условиях экранирования, при удалении от точки доступа или в промышленных помещениях с повышенным уровнем помех.
| Вид сверху | Вид в пространстве |
|---|---|
![]() |
![]() |

Разъем для подключения PWM-вентилятора #
Этот разъем предназначен для подключения вентилятора с управлением по PWM. Он позволяет организовать активное охлаждение платы и регулировать скорость вращения вентилятора в зависимости от температуры, что помогает поддерживать стабильную работу системы под нагрузкой и снижать уровень шума при невысоком нагреве.


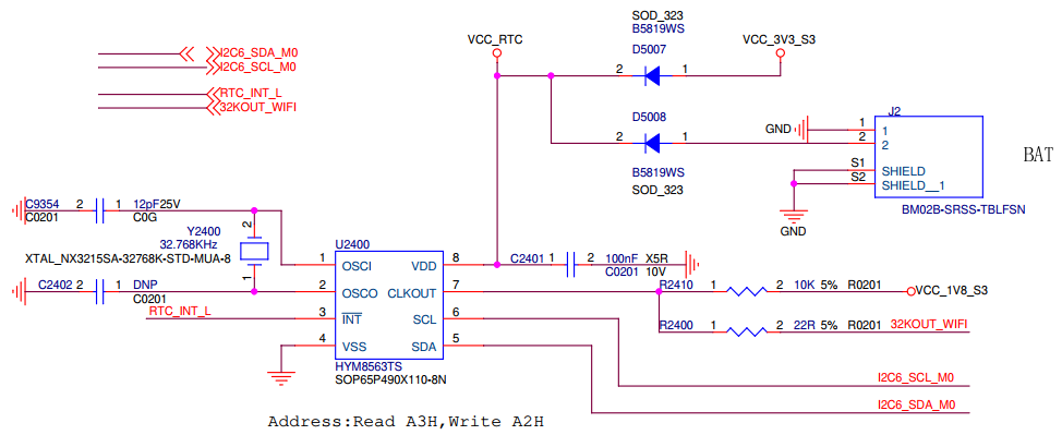
Разъем питания часов реального времени (RTC) #
Разъем RTC используется для подключения батарейки резервного питания часов реального времени. Благодаря этому плата может сохранять текущее время и дату при отключении основного питания, что важно для журналирования событий, выполнения задач по расписанию и корректной работы систем без постоянного доступа к сети.
| Вид сверху | Вид в пространстве |
|---|---|
![]() |
![]() |

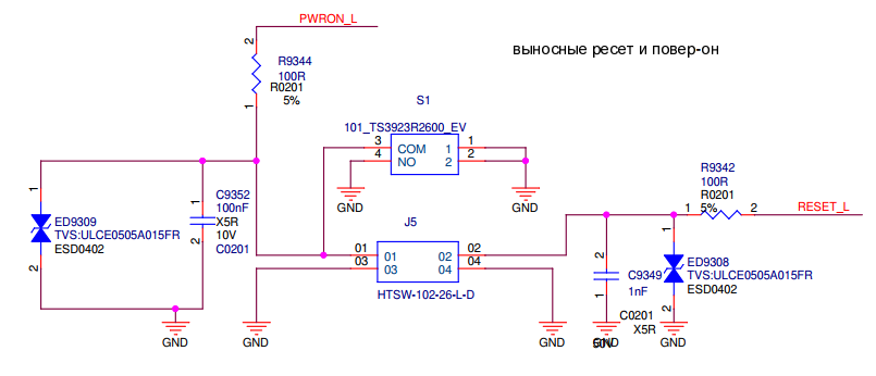
Кнопка управления питанием (PWRON) и кнопка перезагрузки (RESET) #
Кнопка управления питанием (PWRON) и контакты перезагрузки предназначены для локального управления состоянием платы. Они позволяют включать устройство, инициировать завершение работы, выполнять аппаратную перезагрузку и упрощают эксплуатацию платы в составе корпусов, стендов и встраиваемых систем.

Описание поведения Repka Pi 5 с установленной Repka OS при взаимодействии с кнопкой PWRON:
| Действие | Сценарий | Результат |
|---|---|---|
| Кратковременное нажатие | На этапе входа в систему (логин-менеджер) | Уход в спящий режим |
| В рабочем окружении XFCE4 | Окно с выбором: выйти, перезагрузить, выключить, спящий режим | |
| В рабочем окружении GNOME | Окно предупреждения: завершение работы через 60 сек (можно отменить) | |
| Когда Repka Pi находится в спящем/выключенном режиме | Выход из сна или же включение Repka Pi | |
| Длительное нажатие (более 6 сек) | В любом состоянии | Мгновенное отключение питания |
Кроме того, управление питанием может осуществляться через специальные контакты на плате компьютера:


Разъем Ethernet #
Разъем Ethernet служит для подключения устройства к проводной локальной сети. Он обеспечивает стабильное сетевое соединение для доступа в интернет, обмена данными, удаленного администрирования, подключения к серверной инфраструктуре и использования платы в сетевых приложениях.
| Вид сверху | Вид в пространстве |
|---|---|
![]() |
![]() |

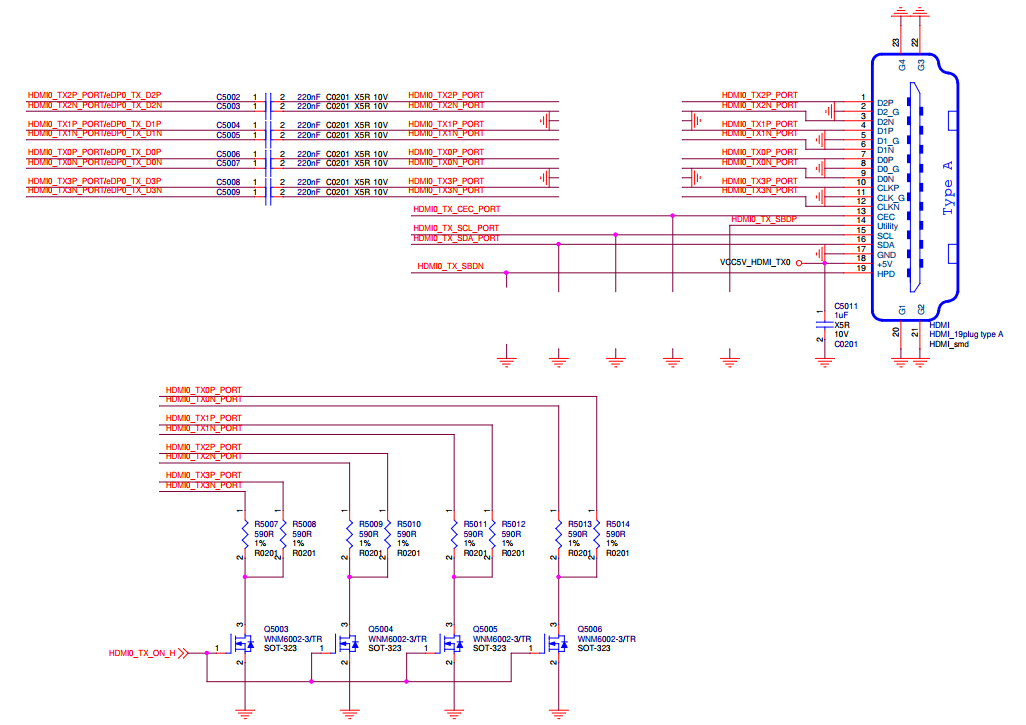
Разъем HDMI #
Разъем HDMI предназначен для вывода цифрового видео и аудио на внешний монитор, телевизор или проектор. Он используется при работе с графическим интерфейсом, воспроизведении мультимедиа, создании информационных панелей, терминалов и других систем, где требуется подключение внешнего дисплея. Позволяет использовать разрешение до 8K@60Hz. Также имеет возможность передачи звука.
| Вид сверху | Вид в пространстве |
|---|---|
![]() |
![]() |


Разъемы USB #
USB-разъемы предназначены для подключения периферийных устройств, таких как клавиатуры, мыши, флеш-накопители, камеры, адаптеры и другое совместимое оборудование. Наличие портов USB 2.0 и USB 3.0 позволяет выбрать подходящий интерфейс в зависимости от требований к скорости передачи данных и типа подключаемого устройства.
| Вид сверху | Вид в пространстве |
|---|---|
![]() |
![]() |


Разъем PCIe #
Разъем PCIe предназначен для подключения высокоскоростных устройств расширения. Он может использоваться для работы с дополнительными контроллерами, накопителями, сетевыми адаптерами и другими совместимыми модулями, которым требуется более высокая пропускная способность по сравнению с USB-интерфейсами.
| Вид сверху | Вид в пространстве |
|---|---|
![]() |
![]() |

Разъем Mini Jack #
Разъем 3,5 мм Mini Jack используется для подключения аудиоустройств, например, наушников, колонок или другой совместимой звуковой периферии. Он подходит для вывода звука в мультимедийных, обучающих и пользовательских сценариях.
| Вид сверху | Вид в пространстве |
|---|---|
![]() |
![]() |

К СВЕДЕНИЮ
На первых серийных образцах Repka Pi версии v1.0 используется стандарт OMTP, на всех последующих версиях платы используется стандарт CTIA. Разница между двумя стандартами показана ниже на изображении.

Разъем DSI #
Разъем DSI предназначен для подключения совместимых дисплеев напрямую к плате. Его использование удобно в проектах, где требуется встроенный экран: в терминалах, панелях оператора, портативных устройствах, системах отображения информации и других решениях с компактной интеграцией дисплея.
| Вид сверху | Вид в пространстве |
|---|---|
![]() |
![]() |

Разъем CSI #
Разъем CSI используется для подключения камер и модулей видеозахвата. Он особенно полезен в проектах, связанных с машинным зрением, видеонаблюдением, фото- и видеосъемкой, распознаванием объектов и построением интеллектуальных встраиваемых систем.
| Вид сверху | Вид в пространстве |
|---|---|
![]() |
![]() |

Питание и нагрузки #
Подключение и управление питанием #
Питание одноплатного компьютера Repka Pi 5 осуществляется от 5-вольтового адаптера через разъём Type-C или пины питания в 40-контактном разъёме. Рекомендуется использовать источник питания с силой тока не менее 5А, чтобы иметь возможность подключать к USB-портам энергоемкие устройства.
К СВЕДЕНИЮ
Одноплатные компьютеры Repka Pi в корпусном исполнении имеют в комплекте необходимый адаптер питания и соответствующий кабель для подключения адаптера питания к Repka.
Температуры работы #
В целях обеспечения надёжности и работоспособности абсолютная максимальная температура p-n перехода должна быть ниже 125°C.
| Параметр | Обозначение | Типовое значение | Единица измерения |
|---|---|---|---|
| Тепловое сопротивление переход-окружающая среда | θJA | 8.7 | (℃/W) |
| Тепловое сопротивление переход-плата | θJB | 3.5 | (℃/W) |
| Тепловое сопротивление переход-корпус | θJC | 0.12 | (℃/W) |
Электрические характеристики, рекомендованные значения а #
| Параметры | Обозначение | Мин. | Тип. | Макс. | Единица измерения |
|---|---|---|---|---|---|
| Напряжение для CPU BigCore 0 | VDD_CPU_BIG0 | 0.55 | 0.75 | 1.05 | V |
| Напряжение памяти CPU BigCore 0 | VDD_CPU_BIG0_MEM | 0.675 | 0.75 | 1.05 | V |
| Напряжение для CPU BigCore 1 | VDD_CPU_BIG1 | 0.55 | 0.75 | 1.05 | V |
| Напряжение памяти CPU BigCore 1 | VDD_CPU_BIG1_MEM | 0.675 | 0.75 | 1.05 | V |
| Напряжение для CPU LitCore и DSU | VDD_CPU_LIT | 0.55 | 0.75 | 0.95 | V |
| Напряжение памяти CPU LitCore и DSU | VDD_CPU_LIT_MEM | 0.675 | 0.75 | 0.95 | V |
| Напряжение для GPU | VDD_GPU | 0.55 | 0.75 | 0.95 | V |
| Напряжение памяти GPU | VDD_GPU_MEM | 0.675 | 0.75 | 0.95 | V |
| Напряжение для NPU | VDD_NPU | 0.55 | 0.75 | 0.95 | V |
| Напряжение памяти NPU | VDD_NPU_MEM | 0.675 | 0.75 | 0.95 | V |
| Напряжение для VCODEC | VDD_VDENC | 0.675 | 0.75 | 0.825 | V |
| Напряжение памяти VCODEC | VDD_VDENC_MEM | 0.675 | 0.75 | 0.825 | V |
| Напряжение для логики | VDD_LOGIC | 0.675 | 0.75 | 0.825 | V |
| Напряжение для PMU | PMU_0V75 | 0.675 | 0.75 | 0.825 | V |
| Питание цифровых GPIO (только 1.8V) | PMUIO1_1V8, VCCIO1_1V8, VCCIO3_1V8 | 1.65 | 1.8 | 1.95 | V |
| Питание цифровых GPIO (3.3V/1.8V) | PMUIO2_1V8, VCCIO2_1V8, VCCIO4_1V8, VCCIO5_1V8, VCCIO6_1V8 | 2.7 / 1.65 | 3.3 / 1.8 | 3.6 / 1.95 | V |
| Питание ввода-вывода eMMC (1.8V) | EMMCIO_1V8 | 1.65 | 1.8 | 1.95 | V |
| Питание логики DDR CH0 (0.85V) | DDR_CH0_VDD, DDR_CH0_VDD_MIF, DDR_CH1_VDD, DDR_CH1_VDD_MIF | 0.675 | 0.85 | 0.935 | V |
| Питание DDR CH0_PLL (0.85V) | DDR_CH0_PLL_DVDD, DDR_CH1_PLL_DVDD | 0.675 | 0.85 | 0.8925 | V |
| Питание DDR CH0_PLL (1.8V) | DDR_CH0_PLL_AVDD1V8, DDR_CH1_PLL_AVDD1V8 | 1.62 | 1.8 | 1.98 | V |
Электрические характеристики, рекомендованные значения b #
| Параметры | Обозначение | Мин. | Тип. | Макс. | Единица измерения |
|---|---|---|---|---|---|
| Питание IO VDDQ LPDDR4 | DDR_CH0_VDDQ, DDR_CH0_VDDQ_CK, DDR_CH1_VDDQ, DDR_CH1_VDDQ_CK | 0.57 | 0.6 | 0.63 | V |
| Питание IO VDDQ в режиме удержания LPDDR4 | DDR_CH0_VDDQ_CKE, DDR_CH1_VDDQ_CKE | 1.045 | 1.1 | 1.155 | V |
| Питание IO VDDQ LPDDR5 | DDR_CH0_VDDQ, DDR_CH0_VDDQ_CK, DDR_CH1_VDDQ, DDR_CH1_VDDQ_CK | 0.475 | 0.5 | 0.525 | V |
| Питание IO VDDQ в режиме удержания LPDDR5 | DDR_CH0_VDDQ_CKE, DDR_CH1_VDDQ_CKE | 1.0 | 1.05 | 1.1 | V |
| Аналоговое питание PLL (0.75V) | PLL_DVDD0V75 | 0.675 | 0.75 | 0.8925 | V |
| Аналоговое питание PLL (1.8V) | PLL_AVDD1V8 | 1.62 | 1.8 | 1.98 | V |
| Аналоговое питание USB 2.0 (0.75V) | USB20_DVDD_0V75 | 0.6975 | 0.75 | 0.825 | V |
| Аналоговое питание USB 2.0 (1.8V) | USB20_AVDD_1V8 | 1.674 | 1.8 | 1.98 | V |
| Аналоговое питание USB 2.0 (3.3V) | USB20_AVDD_3V3 | 3.069 | 3.3 | 3.63 | V |
| Аналоговое питание USB и DP (0.85V) | TYPEC0_DP0_VDD_0V85, TYPEC0_DP0_VDDA_0V85, TYPEC1_DP1_VDD_0V85, TYPEC1_DP1_VDDA_0V85 | 0.8075 | 0.85 | 0.8925 | V |
| Аналоговое питание USB и DP (1.8V) | TYPEC0_DP0_VDDH_1V8, TYPEC1_DP1_VDDH_1V8 | 1.71 | 1.8 | 1.89 | V |
| Аналоговое питание Combo PIPE PHY (0.85V) | PCIE20_SATA30_0_AVDD_0V85, PCIE20_SATA30_1_AVDD_0V85, PCIE20_SATA30_USB30_2_AVDD_0V85 | 0.8 | 0.85 | 0.935 | V |
| Аналоговое питание Combo PIPE PHY (1.8V) | PCIE20_SATA30_0_AVDD_1V8, PCIE20_SATA30_1_AVDD_1V8, PCIE20_SATA30_USB30_2_AVDD_1V8 | 1.62 | 1.8 | 1.98 | V |
| Аналоговое питание PCIe30 (0.75V) | PCIE30_PORT0_AVDD0V75, PCIE30_PORT1_AVDD0V75 | 0.7125 | 0.75 | 0.8925 | V |
| Аналоговое питание PCIe30 (1.8V) | PCIE30_PORT0_AVDD1V8, PCIE30_PORT1_AVDD1V8 | 1.71 | 1.8 | 1.89 | V |
| Аналоговое питание MIPI CSI DPHY (0.75V) | MIPI_CSI0_AVCC0V75, MIPI_CSI1_AVCC0V75 | 0.675 | 0.75 | 0.825 | V |
| Аналоговое питание MIPI CSI DPHY (1.8V) | MIPI_CSI0_AVCC1V8, MIPI_CSI1_AVCC1V8 | 1.62 | 1.8 | 1.98 | V |
| Аналоговое питание MIPI DCPHY (0.85V) | MIPI_D/C_PHY0_VDD, MIPI_D/C_PHY1_VDD | 0.7125 | 0.85 | 0.8925 | V |
| Аналоговое питание MIPI DCPHY (1.2V) | MIPI_D/C_PHY0_VDD_1V2, MIPI_D/C_PHY1_VDD_1V2 | 1.14 | 1.2 | 1.26 | V |
| Аналоговое питание MIPI DCPHY (1.8V) | MIPI_D/C_PHY0_VDD_1V8, MIPI_D/C_PHY1_VDD_1V8 | 1.71 | 1.8 | 1.89 | V |
| Аналоговое питание HDMI RX (0.75V) | HDMI_RX_AVDD0V75 | 0.675 | 0.75 | 0.825 | V |
| Аналоговое питание HDMI RX (3.3V) | HDMI_RX_DVDD3V3 | 3.135 | 3.3 | 3.465 | V |
| Аналоговое питание HDMI RX (3.3V) | HDMI_RX_VPH3V3 | 3.135 | 3.3 | 3.465 | V |
| Цифровое питание HDMI/eDP TX (0.75V) | HDMI/eDP_TX0_VDD_0V75, HDMI/eDP_TX1_VDD_0V75 | 0.675 | 0.75 | 0.85 | V |
| Аналоговое питание HDMI/eDP TX (0.75V) | HDMI/eDP_TX0_AVDD_0V75, HDMI/eDP_TX1_AVDD_0V75 | 0.675 | 0.75 | 0.85 | V |
| Аналоговое питание HDMI/eDP TX (1.8V) | HDMI/eDP_TX0_VDD_CMN_1V8, HDMI/eDP_TX1_VDD_CMN_1V8 | 1.62 | 1.8 | 1.98 | V |
| Аналоговое питание HDMI/eDP TX (1.8V) | HDMI/eDP_TX0_VDD_IO_1V8, HDMI/eDP_TX1_VDD_IO_1V8 | 1.62 | 1.8 | 1.98 | V |
| Аналоговое питание SARADC (1.8V) | SARADC_AVDD_1V8 | 1.62 | 1.8 | 1.98 | V |
| Аналоговое питание OTP (0.75V) | OTP_VDDOTP_0V75 | 0.675 | 0.75 | 0.825 | V |
| Аналоговое питание OSC (1.8V) | OSC_1V8 | 1.65 | 1.8 | 1.95 | V |
| Частота входного тактового сигнала OSC | NA | 24 | NA | MHz | |
| Максимальная частота CPU | NA | NA | 2.2-2.4 | GHz | |
| Максимальная частота GPU | NA | NA | 1000 | MHz | |
| Максимальная частота NPU | NA | NA | 1000 | MHz | |
| Температура окружающей среды при работе | TA | -20 | NA | 85 | ℃ |
Электрические характеристики, абсолютные а #
| Параметры | Связанная группа питания | Мин. | Макс. | Единица измерения |
|---|---|---|---|---|
| Напряжение питания CPU | VDD_CPU_BIG0 VDD_CPU_BIG1 VDD_CPU_LIT |
-0.3 | 1.1 | V |
| Напряжение питания памяти CPU | VDD_CPU_BIG0_MEM VDD_CPU_BIG1_MEM VDD_CPU_LIT_MEM |
-0.3 | 1.1 | V |
| Напряжение питания GPU | VDD_GPU | -0.3 | 1.1 | V |
| Напряжение питания памяти GPU | VDD_GPU_MEM | -0.3 | 1.1 | V |
| Напряжение питания NPU | VDD_NPU | -0.3 | 1.1 | V |
| Напряжение питания памяти NPU | VDD_NPU_MEM | -0.3 | 1.1 | V |
| Напряжение питания VCODEC | VDD_VDENC | -0.3 | 0.95 | V |
| Напряжение питания памяти VCODEC | VDD_VDENC_MEM | -0.3 | 0.95 | V |
| Напряжение питания основной логики | VDD_LOGIC | -0.3 | 0.95 | V |
| Напряжение питания 0.75V | PMU_0V75 PLL_DVDD0V75 USB20_DVDD_0V75 HDMI/eDP_TX0_VDD_0V75 HDMI/eDP_TX0_AVDD_0V75 HDMI/eDP_TX1_VDD_0V75 HDMI/eDP_TX1_AVDD_0V75 HDMI_RX_AVDD0V75 MIPI_CSI0_AVCC0V75 MIPI_CSI1_AVCC0V75 PCIE30_PORT0_AVDD0V75 PCIE30_PORT1_AVDD0V75 OTP_VDDOTP_0V75 |
-0.3 | 0.95 | V |
| Напряжение питания 0.85V | DDR_CH0_VDD DDR_CH0_VDD_MIF DDR_CH0_PLL_DVDD DDR_CH1_VDD DDR_CH1_VDD_MIF DDR_CH1_PLL_DVDD TYPEC0_DP0_VDD_0V85 TYPEC0_DP0_VDDA_0V85 TYPEC1_DP1_VDD_0V85 TYPEC1_DP1_VDDA_0V85 MIPI_D/C_PHY0_VDD MIPI_D/C_PHY1_VDD PCIE20_SATA30_0_AVDD_0V85 PCIE20_SATA30_1_AVDD_0V85 PCIE20_SATA30_USB30_2_AVDD_0V85 |
-0.3 | 1.00 | V |
| Напряжение питания 1.2V | MIPI_D/C_PHY0_VDD_1V2 MIPI_D/C_PHY1_VDD_1V2 |
-0.3 | 1.35 | V |
| Напряжение питания 1.8V | DDR_CH0_PLL_AVDD1V8 DDR_CH1_PLL_AVDD1V8 PLL_AVDD1V8 USB20_AVDD_1V8 TYPEC0_DP0_VDDH_1V8 TYPEC1_DP1_VDDH_1V8 HDMI/eDP_TX0_VDD_CMN_1V8 HDMI/eDP_TX0_VDD_IO_1V8 HDMI/eDP_TX1_VDD_CMN_1V8 HDMI/eDP_TX1_VDD_IO_1V8 MIPI_CSI0_AVCC1V8 MIPI_CSI1_AVCC1V8 MIPI_D/C_PHY0_VDD_1V8 MIPI_D/C_PHY1_VDD_1V8 PCIE20_SATA30_0_AVDD_1V8 PCIE20_SATA30_1_AVDD_1V8 |
-0.5 | 1.98 | V |
Электрические характеристики, абсолютные b #
| Параметры | Связанная группа питания | Мин. | Макс. | Единица измерения |
|---|---|---|---|---|
| Напряжение питания 1.8V (продолжение) | PCIE20_SATA30_USB30_2_AVDD_1V8PCIE30_PORT0_AVDD1V8PCIE30_PORT1_AVDD1V8SARADC_AVDD_1V8OSC_1V8 | |||
| Напряжение питания 3.3V | USB20_AVDD_3V3HDMI_RX_DVDD3V3HDMI_RX_VPH3V3 | -0.5 | 3.63 | V |
| Напряжение питания GPIO только 1.8V | PMUIO1_1V8EMMCIO_1V8VCCIO1_1V8VCCIO3_1V8 | -0.5 | 1.98 | V |
| Напряжение питания GPIO 1.8V/3.3V | PMUIO2_1V8VCCIO2_1V8VCCIO4_1V8VCCIO5_1V8VCCIO6_1V8 | -0.5 | 3.63 | V |
| Напряжение питания DDR IO (LPDDR4/4X 0.6V; LPDDR5 0.5V) | DDR_CH0_VDDQDDR_CH0_VDDQ_CKDDR_CH1_VDDQDDR_CH1_VDDQ_CK | -0.3 | 0.7 | V |
| Напряжение питания DDR IO (LPDDR4/4X 1.1V; LPDDR5 1.05V) | DDR_CH0_VDDQ_CKEDDR_CH1_VDDQ_CKE | -0.3 | 1.25 | V |
| Температура хранения | Tstg | -40 | 125 | ℃ |
| Максимальная температура перехода | Tj | NA | 125 | ℃ |
Электрические характеристики CSI интерфейса #
| Параметры | Обозначение | Мин. | Тип. | Макс. | Единицы измерения |
|---|---|---|---|---|---|
| Синфазная помеха выше 450 MHz | ΔVCMRX(HF) | NA | NA | 100 | mV |
| NA | NA | 50 | mV | ||
| Синфазная помеха 50MHz-450MHz | ΔVCMRX(LF) | -50 | NA | 50 | mV |
| -25 | NA | 25 | mV | ||
| Синфазное согласование | CCM | NA | NA | 60 | pF |
| Подавление входных импульсных помех | eSPIKE | NA | NA | 300 | V.ps |
| Минимальная длительность импульса отклика | TMIN-RX | 20 | NA | NA | ns |
| Пиковая амплитуда помехи | VINT | NA | NA | 200 | mV |
| Частота помехи | fINT | 450 | NA | NA | MHz |
Электрические характеристики GPIO (портов ввода-вывода) a #
| Параметры | Обозначение | Условия испытания | Мин. | Тип. | Макс. | Единица измерения |
|---|---|---|---|---|---|---|
| Цифровой GPIO 3.3V/1.8V при 3.3V: ток утечки входа | IPAD | DVDD=Max, VPAD=0V or DVDD | -10 | NA | 10 | uA |
| Цифровой GPIO 3.3V/1.8V при 3.3V: входной гистерезис для триггера Шмитта | VH | 0.08* VDDO | NA | NA | V | |
| Цифровой GPIO 3.3V/1.8V при 3.3V: ток подтягивающего резистора входа | IRPU | VPAD = 0V | -20 | NA | -180 | uA |
| Цифровой GPIO 3.3V/1.8V при 3.3V: ток стягивающего резистора входа | IRPD | VPAD = VDDO | 20 | NA | 180 | uA |
| Цифровой GPIO 3.3V/1.8V при 1.8V: ток утечки входа | IPAD | DVDD=Max, VPAD=0V or DVDD | -10 | NA | 10 | uA |
| Цифровой GPIO 3.3V/1.8V при 1.8V: входной гистерезис для триггера Шмитта | VH | 0.1* VDDO | NA | NA | V | |
| Цифровой GPIO 3.3V/1.8V при 1.8V: ток подтягивающего резистора входа | IRPU | VPAD = 0V | -20 | NA | -180 | uA |
| Цифровой GPIO 3.3V/1.8V при 1.8V: ток стягивающего резистора входа | IRPD | VPAD = VDDO | 20 | NA | 180 | uA |
| Цифровой GPIO только 1.8V при 1.8V: ток утечки входа | IPAD | DVDD=Max, VPAD=0V or DVDD | -10 | NA | 10 | uA |
| Цифровой GPIO только 1.8V при 1.8V: входной гистерезис для триггера Шмитта | VH | 0.1* VDDO | NA | NA | V | |
| Цифровой GPIO только 1.8V при 1.8V: ток подтягивающего резистора входа | IRPU | VPAD = 0V | -20 | NA | -170 | uA |
| Цифровой GPIO только 1.8V при 1.8V: ток стягивающего резистора входа | IRPD | VPAD = VDDO | 20 | NA | 170 | uA |
| eMMC IO при 1.8V: ток утечки входа | IPAD | DVDD=Max, VPAD=0V or DVDD | -10 | NA | 10 | uA |
| eMMC IO при 1.8V: входной гистерезис для триггера Шмитта | VH | 0.1* DVDD | NA | NA | V | |
| eMMC IO при 1.8V: ток подтягивающего резистора входа | IRPU | VPAD = 0V | -20 | NA | -170 | uA |
| eMMC IO при 1.8V: ток стягивающего резистора входа | IRPD | VPAD = VDDO | 20 | NA | 170 | uA |
Электрические характеристики GPIO (портов ввода-вывода) b #
| Параметры | Обозначение | Мин. | Тип. | Макс. | Единица измерения |
|---|---|---|---|---|---|
| Цифровой GPIO 3.3V/1.8V при 3.3V: низкий уровень входного напряжения | VIL | VSS | NA | 0.3*VDDO | V |
| Цифровой GPIO 3.3V/1.8V при 3.3V: высокий уровень входного напряжения | VIH | 0.7*VDDO | NA | VDDO | V |
| Цифровой GPIO 3.3V/1.8V при 3.3V: низкий уровень выходного напряжения | VOL | VSS | NA | 0.25*DVDD | V |
| Цифровой GPIO 3.3V/1.8V при 3.3V: высокий уровень выходного напряжения | VOH | 0.75*DVDD | NA | DVDD | V |
| Цифровой GPIO 3.3V/1.8V при 3.3V: подтягивающий резистор | RRPU | 10 | NA | 100 | Kohm |
| Цифровой GPIO 3.3V/1.8V при 3.3V: стягивающий резистор | RRPD | 10 | NA | 100 | Kohm |
| Цифровой GPIO 3.3V/1.8V при 1.8V: низкий уровень входного напряжения | VIL | VSS | NA | 0.3*VDDO | V |
| Цифровой GPIO 3.3V/1.8V при 1.8V: высокий уровень входного напряжения | VIH | 0.7*VDDO | NA | VDDO | V |
| Цифровой GPIO 3.3V/1.8V при 1.8V: низкий уровень выходного напряжения | VOL | VSS | NA | 0.25*DVDD | V |
| Цифровой GPIO 3.3V/1.8V при 1.8V: высокий уровень выходного напряжения | VOH | 0.75*DVDD | NA | DVDD | V |
| Цифровой GPIO 3.3V/1.8V при 1.8V: подтягивающий резистор | RRPU | 10 | NA | 50 | Kohm |
| Цифровой GPIO 3.3V/1.8V при 1.8V: стягивающий резистор | RRPD | 10 | NA | 50 | Kohm |
| Цифровой GPIO только 1.8V при 1.8V: низкий уровень входного напряжения | VIL | VSS | NA | 0.3*VDDO | V |
| Цифровой GPIO только 1.8V при 1.8V: высокий уровень входного напряжения | VIH | 0.7*VDDO | NA | VDDO | V |
| Цифровой GPIO только 1.8V при 1.8V: низкий уровень выходного напряжения | VOL | VSS | NA | 0.25*DVDD | V |
| Цифровой GPIO только 1.8V при 1.8V: высокий уровень выходного напряжения | VOH | 0.75*DVDD | NA | DVDD | V |
| Цифровой GPIO только 1.8V при 1.8V: подтягивающий резистор | RRPU | 10 | NA | 50 | Kohm |
| Цифровой GPIO только 1.8V при 1.8V: стягивающий резистор | RRPD | 10 | NA | 50 | Kohm |
| eMMC IO при 1.8V: низкий уровень входного напряжения | VIL | VSS | NA | 0.35*DVDD | V |
| eMMC IO при 1.8V: высокий уровень входного напряжения | VIH | 0.65*DVDD | NA | DVDD | V |
| eMMC IO при 1.8V: низкий уровень выходного напряжения | VOL | VSS | NA | 0.45 | V |
| eMMC IO при 1.8V: высокий уровень выходного напряжения | VOH | DVDD-0.45 | NA | DVDD | V |
| eMMC IO при 1.8V: подтягивающий резистор | RRPU | 10 | NA | 50 | Kohm |
| eMMC IO при 1.8V: стягивающий резистор | RRPD | 10 | NA | 50 | Kohm |
| DDR IO: низкий уровень входного напряжения | VIL | NA | NA | Vref-0.14 | V |
| DDR IO: высокий уровень входного напряжения | VIH | Vref+0.14 | NA | NA | V |
| DDR IO: низкий уровень логического выходного напряжения | VOL | NA | NA | 0.2 | V |
| DDR IO: высокий уровень выходного напряжения | VOH | 0.25 | NA | NA | V |
| DDR IO: входной ток низкого уровня | IIL | -100/-500 | NA | 100/500 | Room/Hot uA |
| DDR IO: входной ток высокого уровня | IIH | -100/-500 | NA | 100/500 | Room/Hot uA |

























